




产品介绍
产品优势:通过导辊和轴承座施加负载,采用电阻应变式原理,性能稳定,精度高,具有过载保护装置。
应用领域:广泛应用于粉煤治金,化学医药,电子汽车衡,轨道衡,仓储秤,秤等,中大吨位的测力设备中。
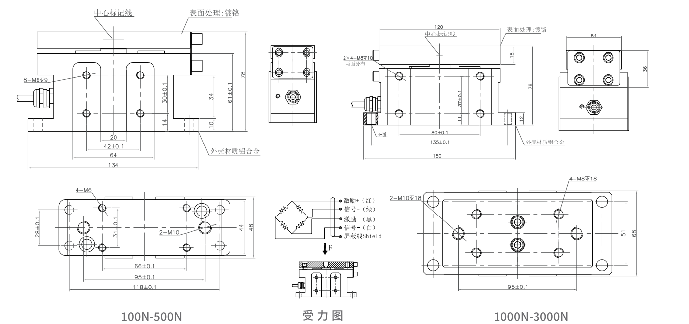
产品规格

产品参数
| 技术参数 | |||
| 量程(N) | 100、200、300、500、1000、2000、3000 | 使用温度范围(°℃) | -35~+70 |
| 灵敏度(mV/V) | 1.0~2.0 | 安全过载(%F.S) | 150 |
| 零点平衡(%F.S) | ±1 | 最大过载(%F.S) | 200 |
| 非线性(%F.S) | ±0.1 | 激励电压(V DC) | 10 |
| 滞后(%F.S) | ±0.1 | 最大激励电压(V DC) | 15 |
| 重复性(%F.S) | ±0.03 | 输入阻抗(Ω) | 380±20 |
| 蠕变(%F.S/30min) | ±0.05 | 输出阻抗(Ω) | 350±3 |
| 回零(%F.S/30min) | ±0.03 | 绝缘阻抗(MΩ) | 2000 |
| 温度零点系数(%F.S /10°C) | ±0.03 | 材质 | 不锈钢/铝合金 |
| 温度灵敏度系数(%F.S /10°C) | ±0.03 | 保护等级 | IP65 |
| 补偿温度范围(℃℃) | -10~+40 | ||
版权所有©安徽智敏电气技术有限公司 技术支持:智盛源
销售部:
18855256978 / 18955213157 / 0552-3060058
网 址:
www.ahzmdq.cn
地 址:
安徽省蚌埠市龙子湖区老山路712号