




产品介绍
产品优势:采用桥式结构;安装高度低,接触面积大;刚性好,使用寿命长,适用于各种恶劣环境。
应用领域:各类起重设备,安装限载保护装置
产品规格
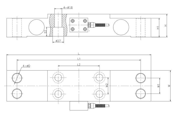
产品尺寸 | ||||||||
量程(t) 尺寸(mm) | L(mm) | L1(mm) | L2(mm) | W(mm) | W1(mm) | W2(mm) | H(mm) | ØD(mm) |
1.5t、2t、3t、5t | 350 | 310 | 100 | 75 | 38 | 40 | 56 | Ø18 |
2t、5t、10t、20t | 410 | 355 | 130/160 | 100 | 50 | 60 | 56 | Ø18 |
技术参数 | |||
精度等级 | D1 | 零点输出(%F.S) | ±1 |
输出灵敏度(mV/V) | 1.0-2.0+0.004 | 输入阻抗(Ω) | 750±20 |
最大检定分度数(namx) | 3000 | 输出阻抗(Ω) | 700±2 |
最小检定分度值(Vmin) | Emax/3000 | 绝缘电阻(MΩ) | ≥5000(50VDC ) |
蠕变(%F.S/30min) | ≤±0.5 | 推荐使用电压(V DC) | 5~12 |
温度灵敏度漂移(%F.S/10℃) | ≤±0.03 | 安全过载(%F.S) | 150 |
温度零点漂移(%F.S/10℃℃) | ≤±0.03 | 极限过载(%F.S) | 200 |
温度补偿范围(℃) | -20~+60 | 防护等级 | IP67 |
工作温度范围(℃) | -35~+70 | ||
产品安装尺寸图


版权所有©安徽智敏电气技术有限公司 技术支持:智盛源
销售部:
18855256978 / 18955213157 / 0552-3060058
网 址:
www.ahzmdq.cn
地 址:
安徽省蚌埠市龙子湖区老山路712号