




产品介绍
可靠性好;精度高,稳定性好;安装台面低,安全简便。
应用领域:广泛应用于各种平台秤、轴载秤、汽车检测线、汽车衡、料斗秤、罐秤、液压搬运秤、自动钢筋折弯机、自动筛选秤。
产品规格
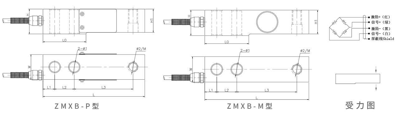
| 型号 | 量程(kgt) | L(mm) | L0(mm) | L1(mm) | L2(mm) | L3(mm) | W | H | Φ1 | Φ2/M |
| ZMXB-P型 | 50kg-300kg | 130 | 55 | 15 | 25 | 75 | 32 | 32 | Φ13 | M12(Φ13) |
| ZMXB-M型 | 500kg~2t | 130 | 15 | 15 | 25 | 75 | 32 | 32 | Φ13 | M20×1.5 M18×1.5 (Φ22) |
| 1.5t~5t | 76 | 19 | 19 | 38 | 95 | 38 | 38 | Φ20 | ||
| 1.5t~5t | 100 | 16 | 16 | 65 | 100 | 45 | 45 | Φ13 | Φ17 |

| 技术参数 | |||
| 精度等级 | C3 | 零点输出(%F.S) | ±1 |
| 输出灵敏度(mV/V) | 2.0+0.004 | 输入阻抗(Ω) | 380±20 |
| 最大检定分度数(namx) | 3000 | 输出阻抗(Ω) | 352±2 |
| 最小检定分度值(Vmin) | Emax/10000 | 绝缘电阻(MΩ) | ≥5000(50VDC ) |
| 蠕变(%F.S/30min) | ≤±0.016 | 推荐使用电压(V DC) | 5~12 |
| 温度灵敏度漂移(%F.S/10℃) | ≤±0.011 | 安全过载(%F.S) | 150 |
| 温度零点漂移(%F.S/10℃℃) | ≤±0.015 | 极限过载(%F.S) | 200 |
| 温度补偿范围(℃) | -20~+60 | 防护等级 | IP67 |
| 工作温度范围(℃) | -35~+70 | ||
版权所有©安徽智敏电气技术有限公司 技术支持:智盛源
销售部:
18855256978 / 18955213157 / 0552-3060058
网 址:
www.ahzmdq.cn
地 址:
安徽省蚌埠市龙子湖区老山路712号