




产品介绍
产品优势:从20N到2000N的力,力矩从1Nm到 50Nm;低串扰,结构紧凑。
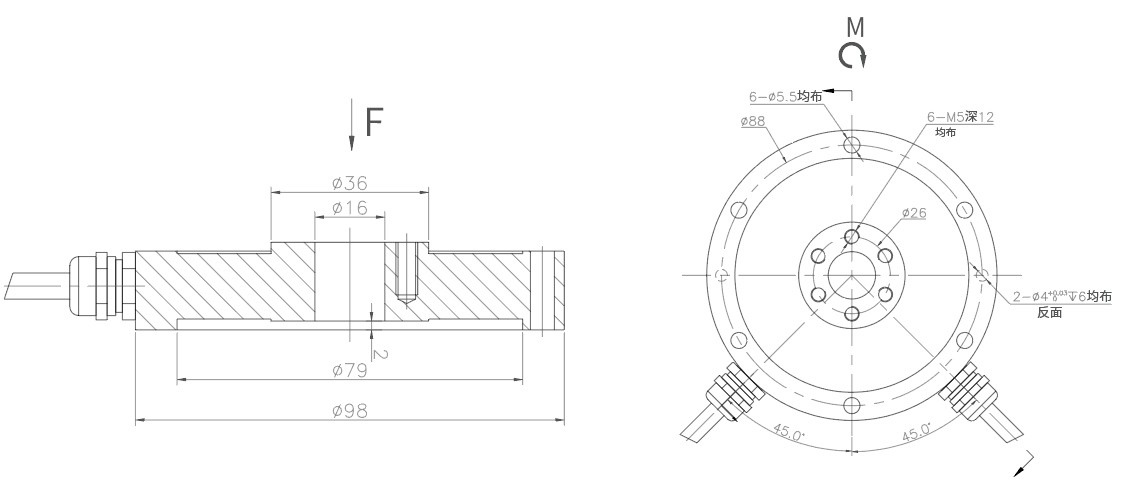
应用领域:ZM2DW型力传感器的力(F)与力矩(M)测景模块,每轴均采用独立的惠斯通电桥全桥结构,可输出与所受力1力矩成比例的毫伏/伏(mVN)信号,无需进行数学运算处理。该类型传感器的典型应用场景包括:机器人作用力控制、汽车碰撞测试、工业测试台、磨削力控制、执行器操作力测是等。
可选功能:0-5V输出信号。
产品规格

| 技术参数 | |||
| 材料 | 合金钢 | 非线性(%F.S) | 0.2 |
| 量程(N)(Nm) | F:20/30/50/100/200/500/1000/2000 M: 1/2/3/5/10/20/30/50 | 滞后(%F.S) | 0.05 |
| F轴灵敏度(mV/V) | 0.5-1.0 | 温度对最小静载输出的影响(%F.S /10℃) | 0.026 |
| M轴灵敏度(mV/V) | 0.5-1.0 | 温度对敏感度的影响(%F.S /10℃) | 0.015 |
| 零点平衡(%F.S) | 1 | 蠕变误差(%F.S/30min) | 0.03 |
| F 轴输入电阻(Ω) | 350±5 | 从F到M的串扰(%F.S) | 1 |
| F 轴输出电阻(Ω) | 350±5 | 安全过载(%F.S) | 150 |
| M 轴输入电阻(Ω) | 350±5 | 终极超载(%F.S) | 300 |
| M 轴输出电阻(Ω) | 350±5 | 推荐激励电压(V DC) | 10 |
| 绝缘电阻(Ω) | 5000 | 补偿温度范围 | -10~ +40 |
| 精度(%F.S) | 1 | 工作温度范围(℃) | -20~ +60 |
版权所有©安徽智敏电气技术有限公司 技术支持:智盛源
销售部:
18855256978 / 18955213157 / 0552-3060058
网 址:
www.ahzmdq.cn
地 址:
安徽省蚌埠市龙子湖区老山路712号