




产品介绍
产品优势:量程 5kg、10kg、20kg、50kg、100kg;三轴(Fx 、Fy、 Fz)独立桥路设计;低串扰,结构紧凑。
应用领域:ZM3DW-SF 型二轴 (XYZ)力传感器的每个轴均采用独立的惠斯通电桥全桥结构,可输出与所施加力成比例的毫伏/伏(mVN)信号,无需进行数学运算处理。该类型传感器的典型应用场景包括:机器人作用力控制、汽车碰撞测试、工业测试台、磨削力控制、执行器操作力测量等。
可选功能:0-5V输出信号。
产品规格
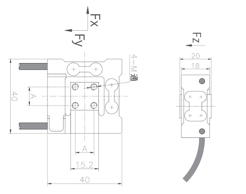
| 量程/尺寸(mm) | A | M |
| 5-20kg | 10 | M3 |
| 30-100kg | 9 | M4 |

| 材料 | 合金铝 | 滞后(%F.S) | 0.05 |
| 量程(kg) | 5、10、20、 30、50、100 | 最小静载荷输出温度影响(%F.S /10℃) | 0.026 |
| X 轴灵敏度(mV/V) | 0.5-1.0 | 灵敏度温度影响(%F.S /10℃) | 0.015 |
| Y轴灵敏度(mV/V) | 0.5-1.0 | 蠕变误差(%F.S/30min) | 0.03 |
| Z轴灵敏度(mV/V) | 0.5-1.0 | X到Y的串扰 | 1 |
| 零度平衡 | 1 | Y到X的串扰 | 1 |
| X、Y 轴输入电阻(Ω) | 700±5 | Z到X/Y的串扰 | 1 |
| X、Y 轴输出电阻(Ω) | 700±5 | X/Y到Z的串扰 | 2 |
| Z轴输入电阻(Ω) | 350±5 | 安全过载(%F.S) | 150 |
| Z轴输出电阻(Ω) | 350±5 | 极限过载(%F.S) | 300 |
| 绝缘电阻(Ω) | 5000 | 推荐激励电压(V DC) | 10 |
| 精度 | 0.2 | 补偿温度范围(℃) | -10~ +40 |
| 非线性(%F.S) | 0.2 | 工作温度范围(℃) | -20~ +60 |
版权所有©安徽智敏电气技术有限公司 技术支持:智盛源
销售部:
18855256978 / 18955213157 / 0552-3060058
网 址:
www.ahzmdq.cn
地 址:
安徽省蚌埠市龙子湖区老山路712号