




产品介绍
产品优势:高强度铝合金材质,具有尺寸小,质量轻,强度高特点; 高分辨率,高响应频率,高测试精度点;采样软件解耦,耦合精度高; 可选内置或外置变送器(带解耦),内置变送器支持RS485、can通讯,外置变送器支持RS485/以太网或者EtherCat通讯接口;提供调试软件或测试软件。
应用领域:该款铝合金材质传感器兼顾了一定的承载能力,又保持了铝合金材质的轻量化与响应灵敏度优势,工业领域中适用于中小型协作机器人、自动化装配线,通过实时监测末端工具与工件接触的六维力,实现对拧紧力、压装力的精准控制,避免部件变形或装配偏差;在物流分拣设备的末端抓取机构中,可感知不同重量包裹的抓取力与姿态,防止滑落或挤压损坏。科研与医疗领域中,适用于中型康复训练设备(如下肢康复机器人),测量机械结构与人体互动时的力和力矩,确保训练强度安全可控;在材料力学测试中,可对中等强度的板材、型材进行多向受力分析,获取全面的力学性能数据。
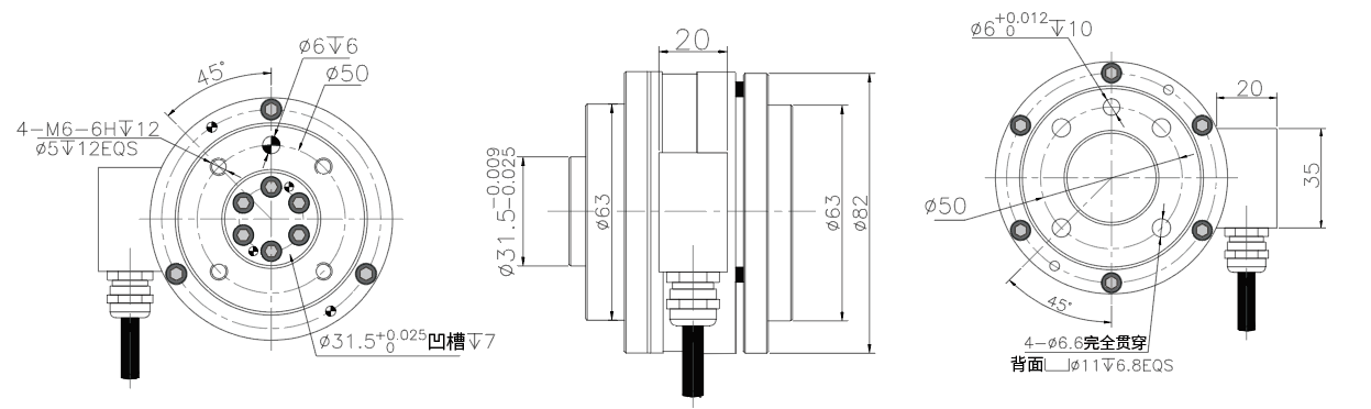
产品规格

| 技术参数 | |||
| 量程 FXYZ=50N~500KN MXYZ=2N.m~20N.m | |||
| 分辨率(%F.S) | 0.1 | 零点漂移(%F.S/30min) | 0.1 |
| 非线性(%F.S) | 0.2 | 安全超载(%F.S) | 150 |
| 重复性(%F.S) | 0.2 | 工作电压(V DC) | 5-15 |
| 耦合精度(%F.S) | 1% | 工作环境(℃) | 0~50 |
| 滞后精度(%F.S) | 0.20% | 变送器供电(V DC) | 9-30 |
版权所有©安徽智敏电气技术有限公司 技术支持:智盛源
销售部:
18855256978 / 18955213157 / 0552-3060058
网 址:
www.ahzmdq.cn
地 址:
安徽省蚌埠市龙子湖区老山路712号