




产品介绍
产品优势:灵敏度高、动态响应快、长期工作稳定,可靠。
应用领域:纺织纱线、纤丝、金属丝、电线、电缆、钢带、胶带、造纸等张力测量。
产品规格
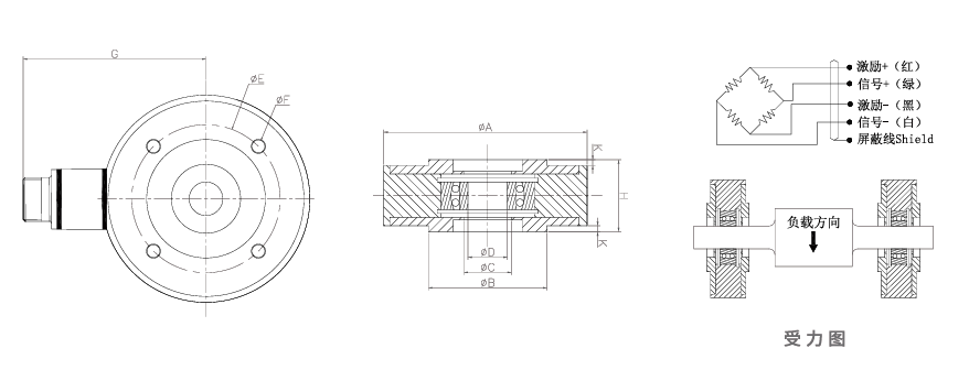
| 额定荷重(kg) | A | B | C | D | E | F | G | H | J | K | |
| ZMZD-10-17 | 10 | 105 | 60 | 22 | 17 | 75 | 6.5 | 90 | 36.5 | 16 | 3 |
| ZMZD-15-17 | 15 | 105 | 60 | 22 | 17 | 75 | 6.5 | 90 | 36.5 | 16 | 3 |
| ZMZD-25-17 | 25 | 105 | 60 | 22 | 17 | 75 | 6.5 | 90 | 36.5 | 16 | 3 |
| ZMZD-50-17 | 50 | 105 | 60 | 22 | 17 | 75 | 6.5 | 90 | 36.5 | 16 | 3 |
| ZMZD-75-25 | 75 | 125 | 70 | 31 | 25 | 95 | 6.5 | 100 | 47.5 | 18 | 3 |
| ZMZD-100-25 | 100 | 125 | 70 | 31 | 25 | 95 | 6.5 | 100 | 47.5 | 18 | 4 |
| ZMZD-150-35 | 150 | 175 | 100 | 44 | 35 | 135 | 8.5 | 125 | 65 | 23 | 4 |
| ZMZD-300-35 | 300 | 175 | 100 | 44 | 35 | 135 | 8.5 | 125 | 65 | 23 | 4 |
| ZMZD-500-65 | 500 | 265 | 160 | 80 | 65 | 220 | 10.5 | 170 | 80 | 33 | 4 |
| ZMZD-1000-65 | 1000 | 265 | 160 | 80 | 65 | 220 | 10.5 | 170 | 80 | 33 | 4 |
| ZMZD-2000-65 | 2000 | 265 | 160 | 80 | 65 | 220 | 10.5 | 170 | 80 | 33 | 4 |
| ZMZD-3000-65 | 3000 | 265 | 160 | 80 | 65 | 220 | 10.5 | 170 | 80 | 33 | 4 |

产品参数
| 量程(kg) | 10、15、25、50、75、100、 150、300、500、1000、2000、3000 | 使用温度范围(°C) | -20~+80 |
| 灵敏度 | 1.5mV/V、0-5V、1-5V、0-10V、 0-10mA、0-20mA、4-20mA | 安全过载(%F.S) | 1.5 |
| 零点平衡(%F.S) | ±1 | 最大过载(%F.S) | 200 |
| 非线性(%F.S) | ±0.1 | 激励电压(V DC) | 10 |
| 滞后(%F.S) | ±0.1 | 最大激励电压(V DC) | 15 |
| 重复性(%F.S) | ±0.05 | 输入阻抗(Q) | 380±20 |
| 蠕变(%F.S/30min) | ±0.05 | 输出阻抗(Q) | 350±3 |
| 回零(%F.S/30min) | ±0.03 | 绝缘阻抗(M) | 2000 |
| 温度零点系数(%F.S/10°C) | ±0.003 | 材质 | 不锈钢/合金钢 |
| 温度灵敏度系数(%F.S/10°C) | ±0.003 | 保护等级 | IP65 |
| 补偿温度范围(°C) | -10~+40 |
版权所有©安徽智敏电气技术有限公司 技术支持:智盛源
销售部:
18855256978 / 18955213157 / 0552-3060058
网 址:
www.ahzmdq.cn
地 址:
安徽省蚌埠市龙子湖区老山路712号