




产品介绍
产品优势:量程:1 kg-200kg、兼具压力与拉力测量功能、结构紧凑,不锈钢材质。
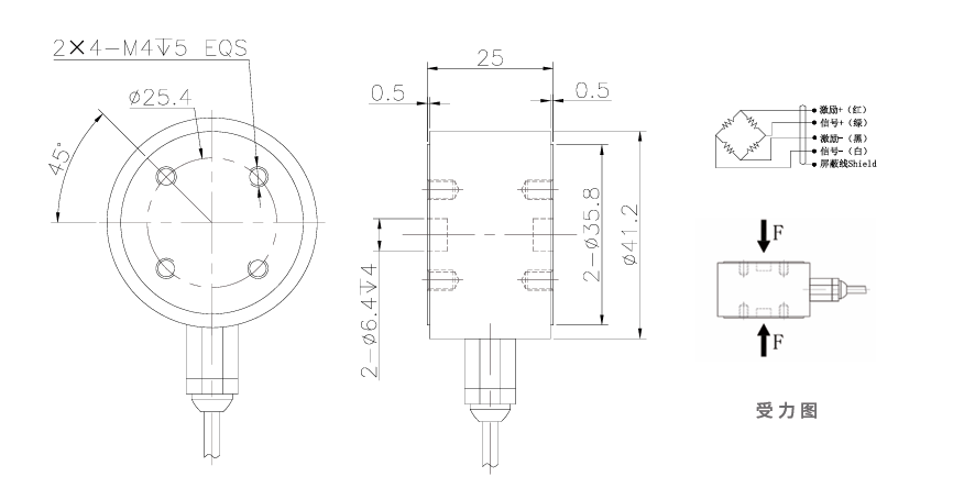
应用领域:ZMWMC型称重传感器采用不锈钢材质制造,配有环氧树脂粘合外壳,具备防潮功能。该型号称重传感器支持压力与拉力双向力值测量。其采用全桥式粘贴式应变片技术,具备出色的长期稳定性,即便在负载循环次数超过 100 万次的应用场景中,也能确保高性能运行。
可选特性:可提供全密封版本。

产品参数
| 量程(kg) | 1、2、3、5、10、20、 50、100、150、200 | 使用温度范围(℃) | -20~+60 |
| 灵敏度(mV/V) | 1.5 | 安全过载(%F.S) | 150 |
| 零点平衡(%F.S) | ±1 | 最大过载(%F.S) | 200 |
| 非线性(%F.S) | ±0.1 | 激励电压(V DC) | 10 |
| 滞后(%F.S) | ±0.1 | 最大激励电压(V DC) | 15 |
| 重复性(%F.S) | ±0.05 | 输入阻抗(Ω) | 720±20 |
| 蠕变(%F.S/30min) | ±0.05 | 输出阻抗(Ω) | 700±3 |
| 回零(%F.S/30min) | ±0.05 | 绝缘阻抗(MΩ) | 5000 |
| 温度零点系数(%F.S /10℃) | ±0.026 | 材质 | 不锈钢 |
| 温度灵敏度系数(%F.S /10℃) | ±0.015 | 保护等级 | IP66 |
| 补偿温度范围(℃) | -10~+40 |
版权所有©安徽智敏电气技术有限公司 技术支持:智盛源
销售部:
18855256978 / 18955213157 / 0552-3060058
网 址:
www.ahzmdq.cn
地 址:
安徽省蚌埠市龙子湖区老山路712号