



产品介绍
产品优势:量程:500N-5000N、结构紧凑(超薄小直径设计)、易于安装(适配嵌入式场景)、不锈钢材质(耐腐蚀、提升耐用性)。
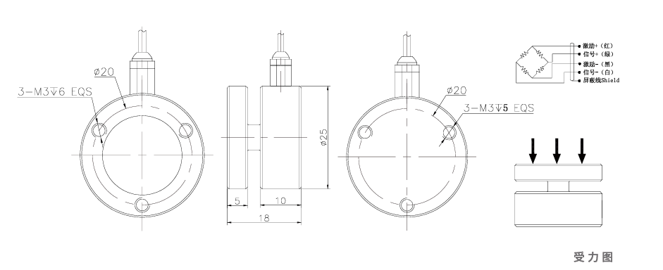
应用领域:ZMMA型系列微型压力传感器专为通用测试测量、设备监测与控制场景设计。其超薄外形与小直径结构,使其能轻松嵌入机械设备或测试装置中,是包装机械、装配机械及终端测试设备的理想选择。
可选功能:可提供4-20mA或 0-5V 输出信号。

产品参数
| 量程(N) | 500、1000、2000、3000、5000 | 使用温度范围(℃) | -20~+60 |
| 灵敏度(mV/V) | 1.0~1.5 | 安全过载(%F.S) | 150 |
| 零点平衡(%F.S) | ±1 | 最大过载(%F.S) | 200 |
| 非线性(%F.S) | ±0.2 | 激励电压(V DC) | 10 |
| 滞后(%F.S) | ±0.1 | 最大激励电压(V DC) | 15 |
| 重复性(%F.S) | ±0.1 | 输入阻抗(Ω) | 720±20 |
| 蠕变(%F.S/30min) | ±0.03 | 输出阻抗(Ω) | 700±3 |
| 回零(%F.S/30min) | ±0.03 | 绝缘阻抗(MΩ) | 5000 |
| 温度零点系数(%F.S /10℃) | ±0.026 | 材质 | 不锈钢 |
| 温度灵敏度系数(%F.S /10℃) | ±0.015 | 保护等级 | IP66 |
| 补偿温度范围(℃) | -10~+40 |
版权所有©安徽智敏电气技术有限公司 技术支持:智盛源
销售部:
18855256978 / 18955213157 / 0552-3060058
网 址:
www.ahzmdq.cn
地 址:
安徽省蚌埠市龙子湖区老山路712号