




产品介绍
产品优势:容量 10N、20N、30N、50N、100N、紧凑尺寸,不锈钢结构,压缩和拉伸。
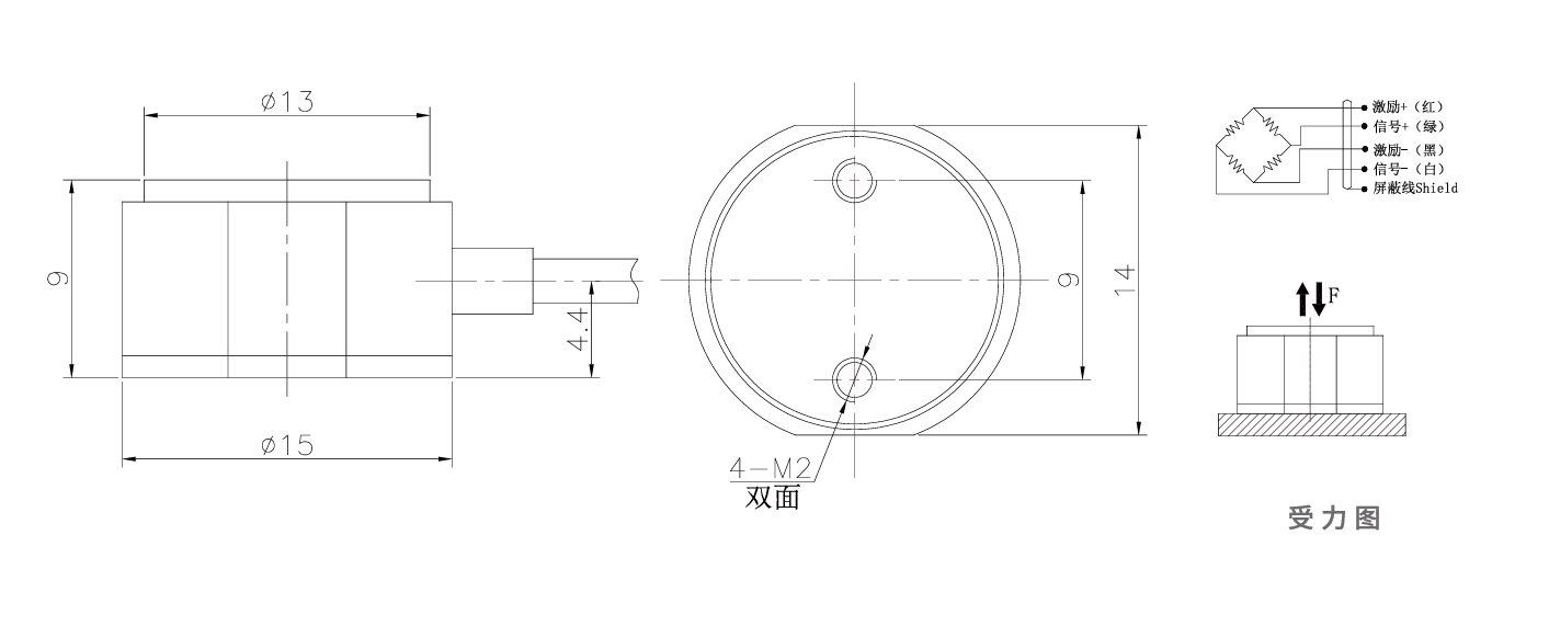
应用领域:ZMMA-YS是一种小型力传感器,广泛应用于UTM和拉压力应用。
可选功能:0-5V,4-20mA输出信号。

产品参数
| 量程(N) | 5、10、20、50、100 | 使用温度范围(°C) | -20~+60 |
| 灵敏度(mV/V) | 1 | 安全过载(%F.S) | 150 |
| 零点平衡(%F.S) | ±1 | 最大过载(%F.S) | 200 |
| 非线性(%F.S) | ±0.3 | 激励电压(V DC) | 10 |
| 滞后(%F.S) | ±0.3 | 最大激励电压(V DC) | 15 |
| 重复性(%F.S) | ±0.05 | 输入阻抗(Ω) | 370±20 |
| 蠕变(%F.S/30min) | ±0.05 | 输出阻抗(Ω) | 350±3 |
| 回零(%F.S/30min) | ±0.03 | 绝缘阻抗(MΩ) | 5000 |
| 温度零点系数(%F.S /10°C) | ±0.026 | 材质 | 不锈钢 |
| 温度灵敏度系数(%F.S /10°C) | ±0.015 | 保护等级 | IP66 |
| 补偿温度范围(°C) | -10~+40 |
版权所有©安徽智敏电气技术有限公司 技术支持:智盛源
销售部:
18855256978 / 18955213157 / 0552-3060058
网 址:
www.ahzmdq.cn
地 址:
安徽省蚌埠市龙子湖区老山路712号