




产品介绍
产品优势:精度高、抗偏载能力强。
应用领域:广泛应用于测力称重行业。
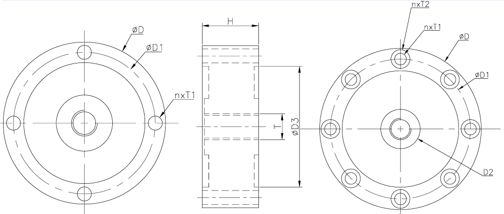
产品规格
| 量程(KN) 尺寸(mm) | D | D1 | D2 | D3 | H | H1 | H2 | T | n×T1 | n×T2 |
| 2 | 75 | 65.5 | --- | 56 | 26 | --- | ---- | M12×1.75 | 4ר6.5 | 4ר6.5 |
| 45787 | 90 | 78 | 22 | 65 | 43 | 40 | 6 | M12×1.75 | 8ר6.6 | 8ר6.6 |
| 15-25 | 105 | 89 | 32 | 75 | 35 | 32 | 7.2 | M16×2 | 8ר7.2 | 8ר7.2 |
| 50-100 | 138 | 110 | 44 | 88 | 46 | 41 | 12 | M27×2 | 8ר13.2 | 8ר13.2 |
| 200-300 | 165 | 130 | 55 | 96 | 50 | 41 | 20 | M36×2 | 8ר21 | 8ר21 |
| 500 | 234 | 194 | 104 | 150 | 60 | 55 | 22 | M52×2 | 16ר21 | 16ר21 |
| 1000 | 258 | 218 | 120 | 174 | 60 | 57 | 22 | M76×2 | 16ר21 | 16ר21 |
| ...... 更多量程尺寸支持非标定制 | ||||||||||


产品参数
| 量程(KN) | 2~1000范围可选 | 使用温度范围(°C) | -20~+60 |
| 灵敏度(mV/V) | 2 | 安全过载(%F.S) | 150 |
| 零点平衡(%F.S) | ±1 | 最大过载(%F.S) | 200 |
| 非线性(%F.S) | ±0.05 | 激励电压(V DC) | 10 |
| 滞后(%F.S) | ±0.05 | 最大激励电压(V DC) | 15 |
| 重复性(%F.S) | ±0.03 | 输入阻抗(Ω) | 370±20 |
| 蠕变(%F.S/30min) | ±0.05 | 输出阻抗(Ω) | 350±3 |
| 回零(%F.S/30min) | ±0.03 | 绝缘阻抗(MΩ) | 5000 |
| 温度零点系数(%F.S /10°C) | ±0.026 | 材质 | 不锈钢/合金钢 |
| 温度灵敏度系数(%F.S /10°C) | ±0.015 | 保护等级 | IP66/IP67 |
| 补偿温度范围(°C) | -10~+40 |
版权所有©安徽智敏电气技术有限公司 技术支持:智盛源
销售部:
18855256978 / 18955213157 / 0552-3060058
网 址:
www.ahzmdq.cn
地 址:
安徽省蚌埠市龙子湖区老山路712号