




产品介绍
产品优势:精度高,外形低、安装简便、快速、拉压双向使用。
应用领域:广泛应用于测力、称重、料斗秤等行业。
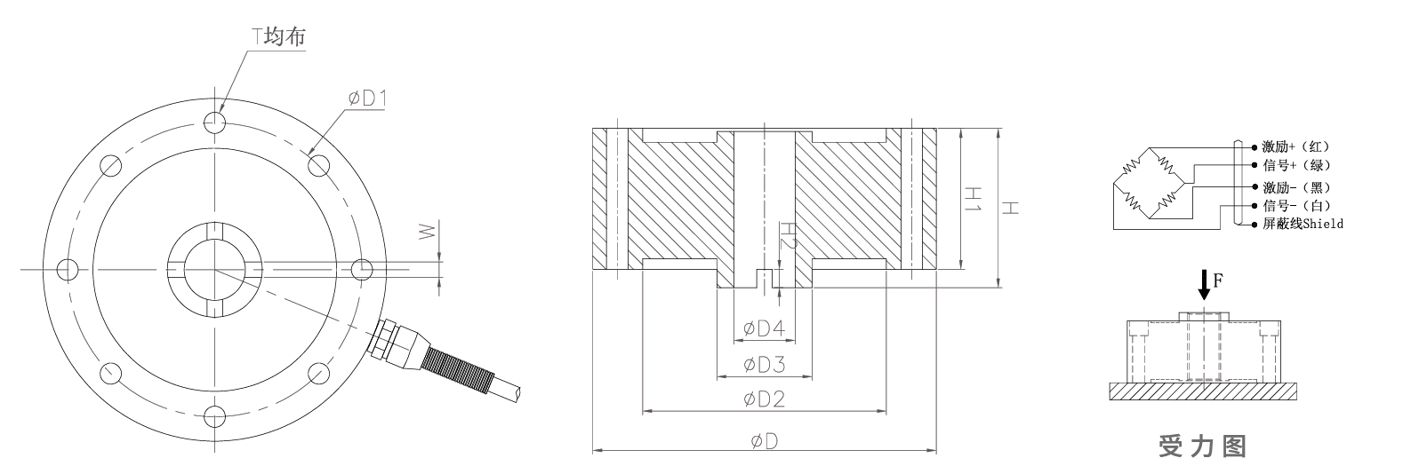
产品规格
| 量程(KN) 尺寸(mm) | D | D1 | D2 | D3 | ØD4 | H | H1 | H2 | W | T |
| 50-100 | Ø130 | Ø105 | Ø32 | Ø84 | Ø32 | 55 | 48 | 6 | 4-5.1 | 8-Ø14 |
| 200-300 | 182 | 154 | 130 | 72 | 39 | 80 | 75 | 6 | 4-5.1 | 8-Ø15 |
| … 更多量程尺寸支持非标定制 | ||||||||||

产品参数
| 量程(KN) | 50、100、200、300 | 使用温度范围(℃) | -20~+60 |
| 灵敏度(mV/V) | 2 | 安全过载(%F.S) | 150 |
| 零点平衡(%F.S) | ±1 | 最大过载(%F.S) | 200 |
| 非线性(%F.S) | ±0.05 | 激励电压(V DC) | 10 |
| 滞后(%F.S) | ±0.05 | 最大激励电压(V DC) | 15 |
| 重复性(%F.S) | ±0.03 | 输入阻抗(Ω) | 370±20 |
| 蠕变(%F.S/30min) | ±0.05 | 输出阻抗(Ω) | 350±3 |
| 回零(%F.S/30min) | ±0.03 | 绝缘阻抗(MΩ) | 5000 |
| 温度零点系数(%F.S /10℃) | ±0.026 | 材质 | 不锈钢/合金钢 |
| 温度灵敏度系数(%F.S /10℃) | ±0.015 | 保护等级 | IP66/IP67 |
| 补偿温度范围(℃) | -10~+40 |
版权所有©安徽智敏电气技术有限公司 技术支持:智盛源
销售部:
18855256978 / 18955213157 / 0552-3060058
网 址:
www.ahzmdq.cn
地 址:
安徽省蚌埠市龙子湖区老山路712号