




产品介绍
产品优势:采用桥式结构;安装高度低,接触面积大;刚性好,使用寿命长,适用于各种恶劣环境。
应用领域:各类起重设备,安装限载保护装置。
| 规格参数 | |||||||
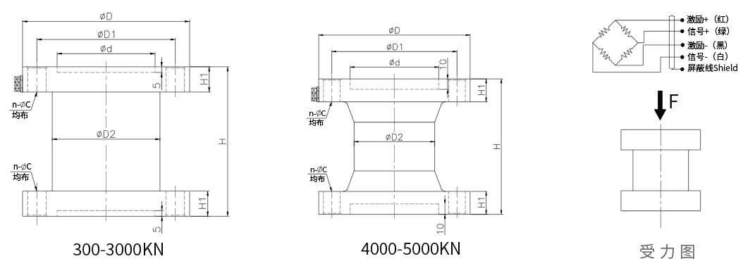
| 量程(KN) 尺寸(mm) | D | D1 | D2 | d | H | H1 | N-ØC |
| 300 | 145 | 120 | --- | 85 | 130 | 22 | 12-Ø16 |
| 500、600 | 197 | 160 | --- | 110 | 160 | 25 | 12-Ø22 |
| 1000 | 240 | 200 | --- | 135 | 230 | 40 | 12-Ø26 |
| 1500、2000、2500 | 305 | 250 | --- | 160 | 326 | 57 | 12-Ø32.5 |
| 3000、4000 | 415 | 360 | --- | 265 | 358 | 69 | 18-Ø32.5 |
| 5000 | 420 | 370 | 320 | 190 | 300 | 60 | 18-Ø32 |

| 技术参数 | |||
| 量程(KN) | 300~5000 范围可选 | 使用温度范围(℃) | -20~+60 |
| 灵敏度(mV/V) | 1.0~2.0 | 安全过载(%F.S) | 150 |
| 零点平衡(%F.S) | ±1% | 最大过载(%F.S) | 200 |
| 非线性(%F.S) | ±0.1 | 激励电压(V DC) | 10 |
| 滞后(%F.S) | ±0.1 | 最大激励电压(V DC) | 15 |
| 重复性(%F.S) | ±0.05 | 输入阻抗(Ω) | 370±20 |
| 蠕变(%F.S/30min) | ±0.05 | 输出阻抗(Ω) | 350±3 |
| 回零(%F.S/30min) | ±0.03 | 绝缘阻抗(MΩ) | 5000 |
| 温度零点系数(%F.S /10℃) | ±0.026 | 材质 | 不锈钢/合金钢 |
| 温度灵敏度系数(%F.S /10℃) | ±0.015 | 保护等级 | IP66/IP67 |
| 补偿温度范围(℃) | -10~+40 | ||
版权所有©安徽智敏电气技术有限公司 技术支持:智盛源
销售部:
18855256978 / 18955213157 / 0552-3060058
网 址:
www.ahzmdq.cn
地 址:
安徽省蚌埠市龙子湖区老山路712号