




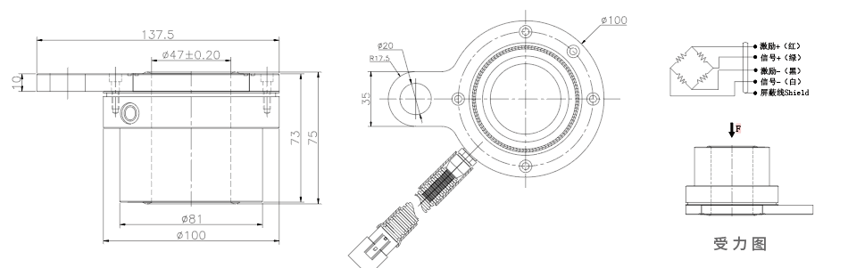
产品介绍
产品优势:智敏集装箱正面吊专用称重传感器采用高强度不锈钢材质制造,满足最高工业标准要求;
该产品基于不同应用工况的特殊需求,采用多元化设计理念(部分为专利结构),通过从机械结构设计到传感器标定的全流程精准控制,确保长期保持高精度测量性能。

| 规格参数 | |||
| 精度(%F.S) | ≤0.2 | 测星范围(t) | 25 |
| 最大载荷(%F.S) | ≥150,可选300 | 破坏载荷(%F.S) | ≥300,可选 500 |
| 非线性(%F.S) | ≤0.2 | 滞后(%F.S) | ≤0.2 |
| 重复性(%F.S) | ≤0.05 | 工作温度范围(℃) | -120 |
| 温度系数(%F.S/10°C) | ≤0.07 | 供电电压(V DC) | 9 -36 |
| 输出信号(mA) | 4-20,可选冗余 RS485、 | 防护等级 | IP 67,可选IP 69K, 符合 DIN EN 60529 标准 |
| 电磁兼容性 | IEC 61000-4 IV | 材质 | 不锈钢/合金钢 |
版权所有©安徽智敏电气技术有限公司 技术支持:智盛源
销售部:
18855256978 / 18955213157 / 0552-3060058
网 址:
www.ahzmdq.cn
地 址:
安徽省蚌埠市龙子湖区老山路712号