




产品介绍
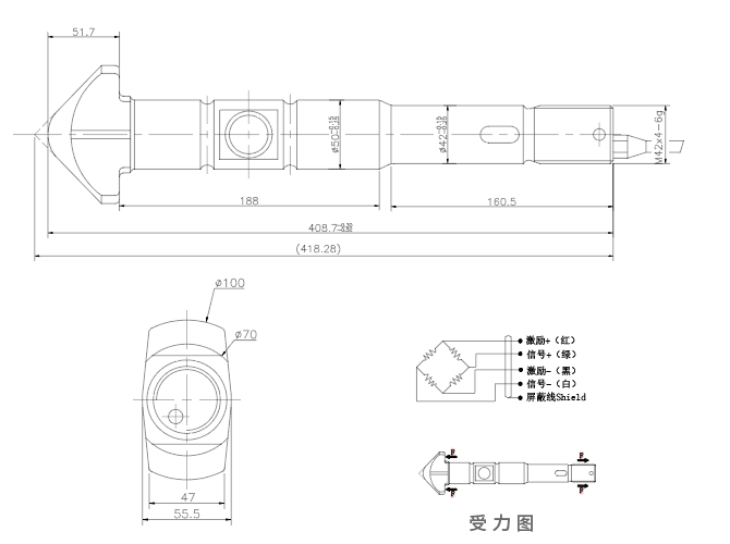
产品优势:智敏吊钩式称重传感器采用高强度不锈钢材质制造,符合最高工业标准要求。
该产品根据不同应用工况的特殊需求,采用模块化设计理念(部分采用专利结构),通过从机械结构优化到传感器精密标定的全流程控制,确保长期稳定保持0.1%FS的高精度测量性能。

| 规格参数 | |||
| 精度(%F.S) | ≤0.3 | 测星范围(t) | 0 |
| 最大载荷(%F.S) | 300 | 破坏载荷(%F.S) | 500 |
| 非线性(%F.S) | ≤0.3 | 滞后(%F.S) | ≤0.3 |
| 重复性(%F.S) | ≤0.05 | 工作温度范围(℃) | -120 |
| 温度系数(%F.S/10°C) | ≤0.07 | 供电电压(V DC) | 9 -36 |
| 输出信号(mA) | 4-20,可选冗余 RS485、 Modbus RTU、CANopen、1.0mv/v | 防护等级 | IP 67,可选IP 69K, |
| 符合 DIN EN 60529 标准 | |||
| 电磁兼容性 | IEC 61000-4 IV | 材质 | 不锈钢/合金钢 |
版权所有©安徽智敏电气技术有限公司 技术支持:智盛源
销售部:
18855256978 / 18955213157 / 0552-3060058
网 址:
www.ahzmdq.cn
地 址:
安徽省蚌埠市龙子湖区老山路712号