




产品介绍
产品优势: 量程 2t-70t;
高精度;
镀镍合金钢。
应用领域: ZMBH是张力负载传感器合金钢IP67保护负载传感器。
广泛用于起重机秤。
可选功能:不锈钢结构。
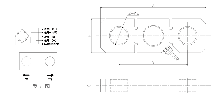
产品规格
| 技术参数 | |||||
| 量程(KN) 尺寸(mm) | A | B | C | D | E |
| 2-3t | 200 | 60 | 25 | 130 | 32 |
| 5t | 230 | 70 | 30 | 150 | 36 |
| 7-10t | 300 | 90 | 38 | 200 | 45 |
| 15-20t | 330 | 110 | 42 | 205 | 60 |
| 30t | 350 | 126 | 50 | 216 | 60 |
| 50-70t | 500 | 180 | 60 | 320 | 72 |

| 规格参数 | |||
| 精度(%F.S) | ≤0.3 | 测星范围(t) | 2-70 |
| 最大载荷(%F.S) | ≥150,可选300 | 破坏载荷(%F.S) | ≥300,可选 500 |
| 非线性(%F.S) | ≤0.3 | 滞后(%F.S) | ≤0.3 |
| 重复性(%F.S) | ≤0.05 | 工作温度范围(℃) | -120 |
| 温度系数(%F.S/10°C) | ≤0.07 | 供电电压(V DC) | 9 -36 |
| 输出信号(mA) | 4-20,可选冗余 RS485、 Modbus RTU、CANopen、1.0mv/v | 防护等级 | IP 67,可选IP 69K, |
| 符合 DIN EN 60529 标准 | |||
| 电磁兼容性 | IEC 61000-4 IV | 材质 | 不锈钢 |
版权所有©安徽智敏电气技术有限公司 技术支持:智盛源
销售部:
18855256978 / 18955213157 / 0552-3060058
网 址:
www.ahzmdq.cn
地 址:
安徽省蚌埠市龙子湖区老山路712号