




产品介绍
产品优势:量程:1 Nm-500 Nm、静态扭转测量、标准输出、镀镍合金钢。
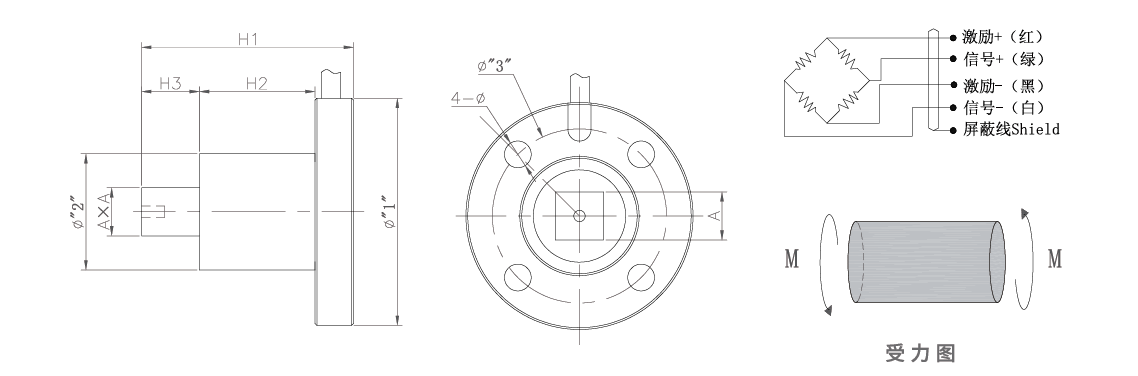
应用领域:法兰-方轴扭矩传感器ZMNJT为非旋转式扭矩传感器,可将扭转机械输入转化为电输出信号,支持顺时针与逆时针方向测量,量程1Nm至500 Nm。测量范围及法兰/方轴尺寸可定制,以满足客户需求。
可选功能:可提供全密封版本。
产品规格
| 量程(N.m) 尺寸(mm) | A | H1 | H2 | H3 | Ø1 | Ø2 | Ø3 | Ø |
| 1~200Nm | 12.7 | 55 | 30 | 15 | 59 | 32 | 45 | 6.5 |
| 500Nm | 25.4 | 75 | 40 | 24 | 68 | 34 | 55 | 8.5 |
| .... 更多量程尺寸支持非标定制 | ||||||||


产品参数
| 量程(Nm) | 1、2、5、10、20、50、100、200、500 | 使用温度范围(°C) | -20~+60 |
| 灵敏度(mV/V) | 1.0~2.0 | 安全过载(%F.S) | 150 |
| 零点平衡(%F.S) | ±1 | 最大过载(%F.S) | 200 |
| 非线性(%F.S) | ±0.05 | 激励电压(V DC) | 10 |
| 滞后(%F.S) | ±0.05 | 最大激励电压(V DC) | 15 |
| 重复性(%F.S) | ±0.03 | 输入阻抗(Ω) | 380±20 |
| 蠕变(%F.S/30min) | ±0.03 | 输出阻抗(Ω) | 350±3 |
| 回零(%F.S/30min) | ±0.03 | 绝缘阻抗(MΩ) | 5000 |
| 温度零点系数(%F.S /10°C) | ±0.026 | 材质 | 合金钢 |
| 温度灵敏度系数(%F.S /10°C) | ±0.015 | 保护等级 | IP66 |
| 补偿温度范围(°C) | -10~+40 |
版权所有©安徽智敏电气技术有限公司 技术支持:智盛源
销售部:
18855256978 / 18955213157 / 0552-3060058
网 址:
www.ahzmdq.cn
地 址:
安徽省蚌埠市龙子湖区老山路712号