




产品介绍
产品优势:针对动态称重设计,结构合理科学;精度高、安全简便。
应用领域:平台秤、轴载秤、汽车检测线、汽车衡、料斗秤、罐秤等。
产品规格
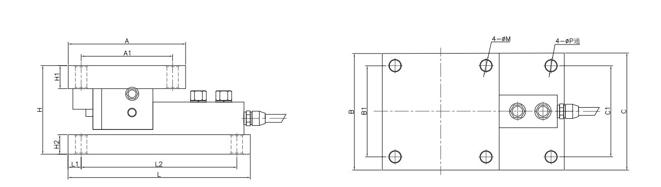
| 量程(t)尺寸(mm) | L | L1 | L2 | A | A1 | B | B1 | C | C1 | H | H1 | H2 | ØM | ØP |
| 0.25-2 | 178 | 13 | 152 | 114 | 89 | 114 | 89 | 114 | 89 | 105 | 25 | 20 | Ø11 | Ø11 |
| 0.3、0.5 1、2、3 | 286 | 32 | 226 | 150 | 124 | 128 | 102 | 112 | 80 | 102 | 28 | 23 | Ø13 | Ø11 |
| 5 | 317.5 | 32 | 257 | 178 | 146 | 152 | 120 | 152 | 102 | 130 | 38 | 30 | Ø17 | Ø17.5 |
| 10 | 360 | 32 | 295 | 184 | 152 | 154 | 122 | 154 | 106 | 168 | 45 | 45 | Ø21 | Ø22 |
| 15、20 | 400 | 25 | 350 | 220 | 170 | 220 | 170 | 220 | 170 | 213 | 55 | 55 | Ø26 | Ø26 |

产品参数
| 量程(t) | 0.25~20 | 使用温度范围(°C) | -20~+60 |
| 灵敏度(mV/V) | 2 | 安全过载(%F.S) | 150 |
| 零点平衡(%F.S) | ±1 | 最大过载(%F.S) | 200 |
| 非线性(%F.S) | ±0.03 | 激励电压(V DC) | 10 |
| 滞后(%F.S) | ±0.03 | 最大激励电压(V DC) | 15 |
| 重复性(%F.S) | ±0.02 | 输入阻抗(Ω) | 370±20 |
| 蠕变(%F.S/30min) | ±0.03 | 输出阻抗(Ω) | 350±3 |
| 回零(%F.S/30min) | ±0.03 | 绝缘阻抗(MΩ) | 5000 |
| 温度零点系数(%F.S /10°C) | ±0.026 | 材质 | 不锈钢/合金钢 |
| 温度灵敏度系数(%F.S /10°C) | ±0.015 | 保护等级 | IP66/IP67 |
| 补偿温度范围(°C) | -10~+40 |
版权所有©安徽智敏电气技术有限公司 技术支持:智盛源
销售部:
18855256978 / 18955213157 / 0552-3060058
网 址:
www.ahzmdq.cn
地 址:
安徽省蚌埠市龙子湖区老山路712号