




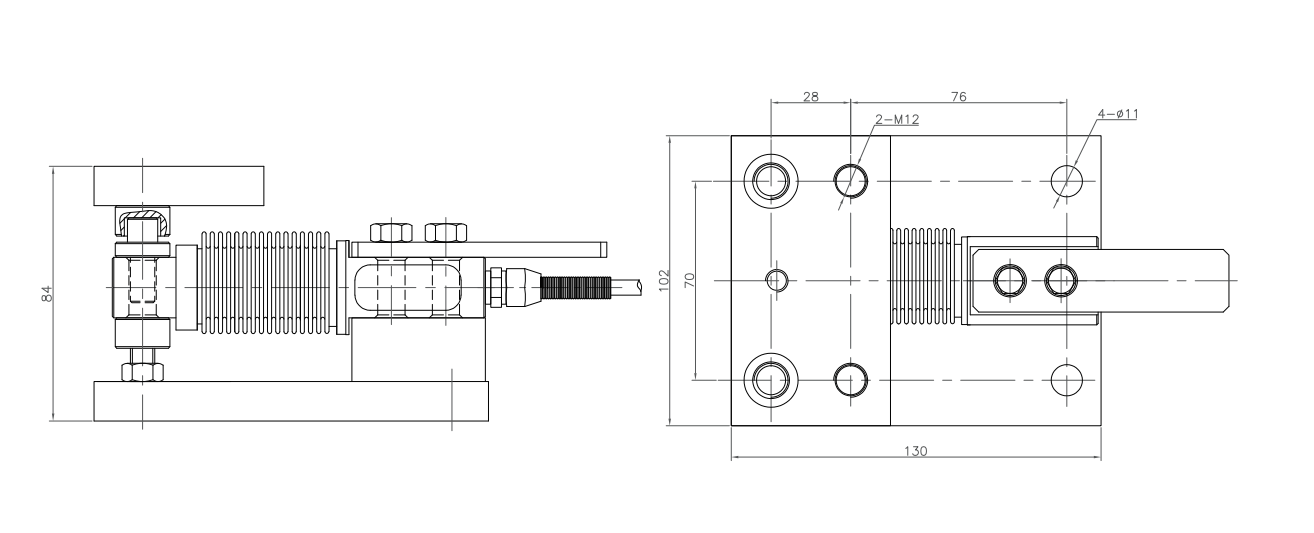
产品介绍
产品优势:结构紧凑,稳定性好;精度高,密封性好,耐腐蚀;安装台面低,安全简便。
应用领域:平台秤,料斗秤,包装秤,筛选秤,罐秤等。

产品参数
| 技术参数 | |||
| 量程(N) | 50、100、200、250、500 | 阻抗(Ω) | 700/1400 |
| 输出灵敏度(mV/V) | 2.0±0.002 | 绝缘电阻(MΩ) | ≥5000/100VDC |
| 零点输出(%F.S) | ±2 | 使用电压(V DC) | 5—15 |
| 非线性(%F.S) | 0.03 | 工作温度范围(°C) | -20—80 |
| 滞后(%F.S) | 0.03 | 安全过载(%F.S) | 150 |
| 重复性(%F.S) | 0.02 | 极限过载(%F.S) | 200 |
| 蠕变(%F.S/30min) | 0.03 | 材质 | 不锈钢/合金钢 |
| 温度灵敏度漂移(%F.S /10°C) | 0.03 | ||
| 零点温度漂移(%F.S /10°C) | 0.05 | ||
| 响应频率(kHz) | 10 | ||
版权所有©安徽智敏电气技术有限公司 技术支持:智盛源
销售部:
18855256978 / 18955213157 / 0552-3060058
网 址:
www.ahzmdq.cn
地 址:
安徽省蚌埠市龙子湖区老山路712号